您好,歡迎光臨帝國科技!
產品分類
PRODUCT
PRODUCT
- 國產晶振
- 聲表面濾波器
- 石英晶體
- 石英晶振
- 貼片晶振
- 陶瓷晶振
- 陶瓷濾波器
- 陶瓷霧化片
- 進口晶振
- MERCURY晶振
- Fujicom晶振
- 日本大真空晶振
- 愛普生晶振
- 西鐵城晶振
- 精工晶振
- 村田陶瓷晶振
- 日本京瓷晶振
- 日本進口NDK晶體
- 大河晶振
- TXC晶振
- 亞陶晶振
- 臺灣泰藝晶體
- 臺灣鴻星晶體
- 美國CTS晶體
- 微孔霧化片
- 加高晶振
- 希華石英晶振
- AKER晶振
- NAKA晶振
- SMI晶振
- NJR晶振
- NKG晶振
- Sunny晶振
- 歐美晶振
- Abracon晶振
- ECS晶振
- Golledge晶振
- IDT晶振
- Jauch晶振
- Pletronics晶振
- Raltron晶振
- SiTime晶振
- Statek晶振
- Greenray晶振
- 康納溫菲爾德晶振
- Ecliptek晶振
- Rakon晶振
- Vectron晶振
- 微晶晶振
- AEK晶振
- AEL晶振
- Cardinal晶振
- Crystek晶振
- Euroquartz晶振
- FOX晶振
- Frequency晶振
- GEYER晶振
- KVG晶振
- ILSI晶振
- MMDCOMP晶振
- MtronPTI晶振
- QANTEK晶振
- QuartzCom晶振
- Quarztechnik晶振
- Suntsu晶振
- Transko晶振
- Wi2Wi晶振
- ACT晶振
- MTI晶振
- Lihom晶振
- Rubyquartz晶振
- Oscilent晶振
- SHINSUNG晶振
- ITTI晶振
- PDI晶振
- ARGO晶振
- IQD晶振
- Microchip晶振
- Silicon晶振
- Fortiming晶振
- CORE晶振
- NIPPON晶振
- NICKC晶振
- QVS晶振
- Bomar晶振
- Bliley晶振
- GED晶振
- FILTRONETICS晶振
- STD晶振
- Q-Tech晶振
- Anderson晶振
- Wenzel晶振
- NEL晶振
- EM晶振
- PETERMANN晶振
- FCD-Tech晶振
- HEC晶振
- FMI晶振
- Macrobizes晶振
- AXTAL晶振
帝國博客
更多>>- 規格型號:48822572
- 頻率:2.75~54.00MHZ
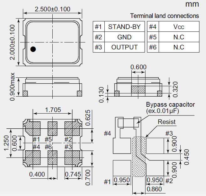
- 尺寸:2.5*2.0mm
- 產品描述:NZ2520SEA石英晶體,NDK有源晶振,進口日本晶振,石英晶體振蕩器在設計時就與各款型號IC匹配等相關技術,使用IC與晶片設計匹配技術:是高頻振蕩器研發及生產過程必須要解決的技術難題.在設計過程中除了要考慮石英晶體諧振...
NZ2520SEA石英晶體,NDK有源晶振,進口日本晶振
.jpg)
NZ2520SEA石英晶體,NDK有源晶振,進口日本晶振,石英晶體振蕩器在設計時就與各款型號IC匹配等相關技術,使用IC與晶片設計匹配技術:是高頻振蕩器研發及生產過程必須要解決的技術難題.在設計過程中除了要考慮石英晶體諧振器具有的電性外,還有石英晶體振蕩器的電極設計等有它的特殊性,必須考慮振蕩器的供應電壓、起動電壓和產品上升時間、下降時間等相關參數.
貼片式石英晶體振蕩器,低電壓啟動功率,并且有多種電壓供選擇,比如有1.8V,2.5V,3.3V,3.8V,5V等,產品被廣泛應用于,平板筆記本,GPS系統,光纖通道,千兆以太網,串行ATA,串行連接SCSI,PCI-Express的SDH / SONET發射基站等領域.符合RoHS/無鉛.

| 規格參數 | NZ2520SEA |
| 額定頻率范圍 (MHz) | 2.75 to 54 |
| 尺寸大小 (L×W×H : mm) | 2.5 × 2.0 × 0.8 |
| 工作溫度范圍 (°C) | -40 to +85 |
| 儲存溫度范圍 (°C) | -55 to +125 |
| 綜合頻率允許偏差 | Max. ±15×10-6 |
| 電源電壓 [VCC] (V) | +1.8±0.09, +2.5±0.125, +3.3±0.165 |
| 消費電流 工作時 max(25℃ : mA) |
[1.8V] 3.5 (2.75≤F<11MHz), 4.0 (11≤F<22MHz), 4.5 (22≤F<30MHz), 5.0 (30≤F<40MHz), 6.0 (40≤F<54MHz) |
|
[2.5V] 4.0 (2.75≤F<11MHz), 4.5 (11≤F<22MHz), 5.0 (22≤F<30MHz), 5.5 (30≤F<40MHz), 6.5 (40≤F<54MHz) |
|
|
[3.3V] 4.5 (2.75≤F<11MHz), 5.0 (11≤F<22MHz), 5.5 (22≤F<30MHz), 6.0 (30≤F<40MHz), 8.0 (40≤F<54MHz) |
|
| 消費電流 斷開時 max(25℃ : µA) | 10 |
| VOL Max / VOH Min (V) | 0.2 VCC / 0.8 VCC |
| Tr Max. / Tf Max. (ns) | 5 / 5 (ns) at 0.2 ~ 0.8VCC |
| 波形對稱 Min to Max (%) | 45 to 55 at 1/2VCC |
| 負載電容 (CL) Max. (pF) | 15 |
| 発振起動時間 Max. (ms) | 10 |
| 停振功能 | 可支持(三態) |


.jpg)

晶體振蕩器和實時時鐘模塊
所有晶體振蕩器和實時時鐘模塊都以IC形式提供.
噪音
在電源或輸入端上施加執行級別(過高)的不相干(外部的)噪音,可能導致會引發功能失常或擊穿的閉門或雜散現象.
電源線路
電源的線路阻抗應盡可能低.
輸出負載
建議將輸出負載安裝在盡可能靠近振蕩器的地方(在20 mm范圍之間).
未用輸入終端的處理
未用針腳可能會引起噪聲響應,從而導致非正常工作.同時,當P通道和N通道都處于打開時,電源功率消耗也會增加;因此,請將未用輸入終端連接到VCC 或GND.
熱影響
重復的溫度巨大變化可能會降低受損害的晶體單元的產品特性,并導致塑料封裝里的線路擊穿.必須避免這種情況.
安裝方向
振蕩器的不正確安裝會導致故障以及崩潰,因此安裝時,請檢查安裝方向是否正確.
通電
不建議從中間電位和/或極快速通電,否則會導致無法產生振蕩和/或非正常工作.
.jpg)

“日本電波工業株式會社(NDK)”為世界最大的石英晶振生產企業之一,同時其在中國蘇州建立的工廠也為中國同類企業中生產規模最大.本公司的產品為晶體諧振器、晶體振蕩器、晶體濾波器、聲表面波濾波器和光學低通濾波器等,被廣泛用于移動通信、辦公自動化、家電、汽車電子等領域.目前移動通信和汽車電子市場的市場份額均為世界第一.
.jpg)

“日本電波工業株式會社(NDK)”為世界最大的石英晶振生產企業之一,同時其在中國蘇州建立的工廠也為中國同類企業中生產規模最大.本公司的產品為晶體諧振器、晶體振蕩器、晶體濾波器、聲表面波濾波器和光學低通濾波器等,被廣泛用于移動通信、辦公自動化、家電、汽車電子等領域.目前移動通信和汽車電子市場的市場份額均為世界第一.
經營理念
要認識到作為世界一流廠家的使命和責任,要始終在行業中起帶頭作用.
搶先取得社會需求,為客戶提供高質量的服務.
追求使用更方便、更穩定的發振源,創造更高的附加價值.
不畏失敗,向困難挑戰,努力培養出能自我開發的人才.
通過工作發揚人格.
尊重個人,努力提高員工的生活水平.
以與關系公司、供應商及包括地區社會在內的共同繁榮來回報投資者.
致力于保護地球環境,擔負起責任.

自從歐盟頒布各項綠色環保指令(如RoHS)后,世界各國已陸續制定公布相關之法令規章,推動「綠色產品」的發展.NDK電子為了對環境與人類貢獻一己之力,導入綠色設計之概念,致力生產符合國際綠色環保指令與客戶特殊要求之產品.我們知道,人類的永續發展需要干凈的環境,如果我們產品中的物質會對環境造成污染,影響到人類生存的基本條件,不論產品的功能再先進再齊全,也無法對環境與社會帶來多大的幫助.


自從歐盟頒布各項綠色環保指令(如RoHS)后,世界各國已陸續制定公布相關之法令規章,推動「綠色產品」的發展.NDK電子為了對環境與人類貢獻一己之力,導入綠色設計之概念,致力生產符合國際綠色環保指令與客戶特殊要求之產品.我們知道,人類的永續發展需要干凈的環境,如果我們產品中的物質會對環境造成污染,影響到人類生存的基本條件,不論產品的功能再先進再齊全,也無法對環境與社會帶來多大的幫助.
為追求生產綠色產品之目標,將環保理念納入采購流程中,采購人員于收集市場資訊時,優先提供符合「NDK電子無有害物質管理作業標準」之材料相關資訊予產品設計人員參考,并依其要求提供符合規范之樣品與規格.原材物料承認時,采購人員須請供應商填寫公司提供之問卷表單及相關RoHS檢測報告,經原材物料相關審驗單位審查通過后,方可使用.

SHENZHEN DIGUO TECHONLOGY CO.,LTD
聯系人:譚蘭艾
手 機:86-13826527865
電 話:86-0755-27881119
Q Q:921977998
E-mail:dgkjly@163.com
網 址:www.chromatography.cn
地 址:中國廣東省深圳市寶安區西鄉大道新湖路
聯系人:譚蘭艾
手 機:86-13826527865
電 話:86-0755-27881119
Q Q:921977998
E-mail:dgkjly@163.com
網 址:www.chromatography.cn
地 址:中國廣東省深圳市寶安區西鄉大道新湖路







業務經理